| Главная » Фотоальбом » Инструкции » Руководство по техническому обслуживанию дизельного двигателя серии Н Shanghai diesel |
Руководство по техническому обслуживанию дизельного двигателя серии Н Shanghai diesel
| Фотографий в разделе: 108 | Страницы: « 1 2 3 4 5 6 » |
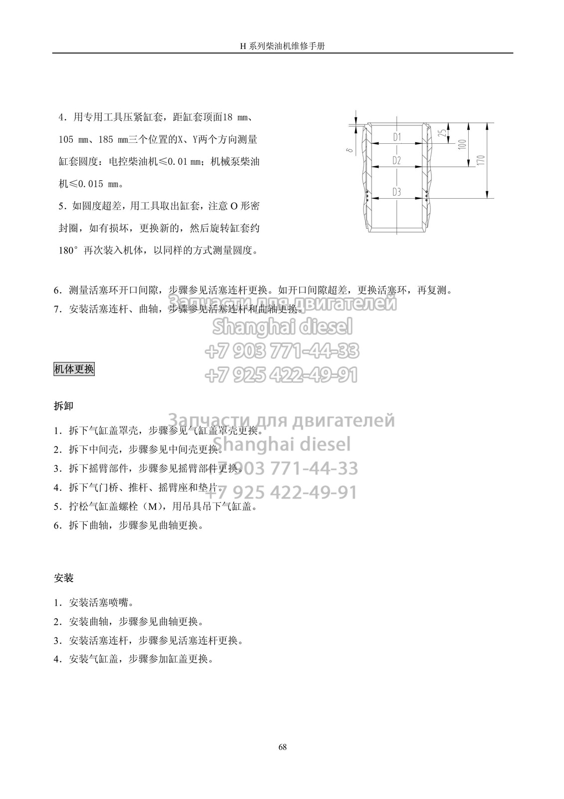
| 1-20 21-40 41-60 61-80 81-100 101-108 | |




















